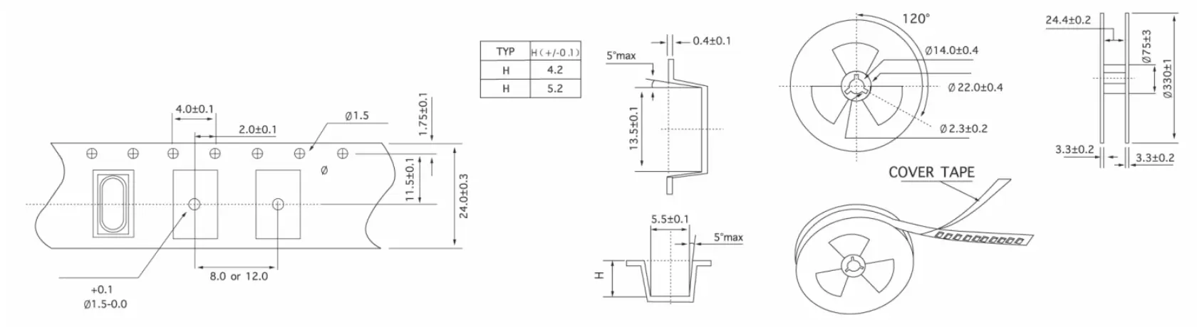
UNITÀ DI CRISTALLO DI QUARZO
HC-49S/4PD
| TIPO | HC-49S/2PD |
| Gamma di frequenza | 3,5 MHz~125 MHz |
| Taglio di cristallo | AT;BT |
| Tolleranza di frequenza (a 25 °C) | ±5 ppm~±30 ppm |
| Caratteristiche di frequenza e temperatura | "AT:±2,5 ppm (0℃-50℃);+5 ppm (-10℃-60℃);+10 ppm (-20℃-70℃);+30 ppm (-40℃-85℃)"BT:±100 ppm (-20℃-70℃); |
| Intervallo di tempo di conservazione | -40℃~+85℃ |
| Resistenza equivalente in serie (ESR) | Vedi tabella |
| Capacità di carico (CL) | 4pf~∞ |
| Capacità di shunt (Co) | <5pf |
| Resistenza di isolamento | >500M2 a CC 100V |
| Livello di guida | 1μw ~100μw |
| Invecchiamento (anno) | ±3 ppm (anno) |
| Frequenza (MHz) | Modalità | ESR(Ω) |
| 3.500 ≤f<4.000 | AT/FUND | 150~100 |
| 4.000 ≤f<6.000 | AT/FUND | 100~60 |
| 6.000 ≤f<10.000 | AT/FUND | 60~50 |
| 10.000≤f<15.000 | AT/FUND | 50~30 |
| 15.000≤f<35.000 | AT/FUND | ≤ 25 |
| 21.000 ≤f<40.000 | BT/FONDO | ≤ 40 |
| 25.000 ≤f<100.000 | 3° Armonico | 80~60 |
| Oltre ai parametri elencati nella tabella, può essere progettato in base alle esigenze del cliente | ||

*
*
*